Store
EN
Store
“工业母机”的大脑:高柔性激光切割控制系统
Company News
2021-08-31
Share:
要实现《中国制造2025》的目标,落实“十四五规划”,形成“中国智造”的核心竞争力,避免关键设备和原材料被“卡脖子”,助力“工业母机”厂商发展,离不开数控系统、伺服驱动、伺服电机等关键技术的自主创新和安全可控。
在实际的激光加工生产过程中,控制系统影响了生产效率和工件质量,维宏股份通过不断的研发测试、试验探索,针对不同行业的激光切割需求,为客户提供整套激光加工解决方案。
维宏NcStudio V15 激光切割系统
维宏NcStudio V15 系列激光切割系统是上海维宏电子科技股份有限公司自主研发的一款高性能光纤激光切割系统,专业应用于平面板材、各种管类等金属成型加工领域。
一、LS6000M激光平面切割系统
LS6000M为国内首创板卡总线高功率激光平面切割系统,专业应用于中高功率板材切割,该软件包含了随动控制系统、激光切割工艺处理、常用排样功能和激光加工控制。
LS6000M系统支持6kw-20kw大功率激光切割,同时提供切割头监控、气体监控、激光器监控, 在使用大功率激光切割的同时提高安全性。系统配套维宏WISE EtherCAT协议伺服系统,可实现延迟更低,响应更快,适用于单台面、交换台等激光切割机。
在线切割机型即将料卷、校平机、激光切割机进行整合,适用于风管切割行业,是激光切割领域的一大特色。维宏在线切割系统又称卷料切割系统,可支持不同的上料机型,不同类型的校平机位置,同时通过支持批量处理加工,可实现开卷-校平-送料-切割一体化自动生产。
NcStudio V15-TU系列管切软件为管材切割行业提供整体运动控制解决方案,支持多类管型,截断/开孔/相贯孔/垂直相贯等路径向导,高精度运动控制算法,支持总线绝对值。
二、TU3200M激光管材切割系统
维宏TU3200M激光管材切割控制系统广泛应用于两卡盘切管机,配合高精密卡盘,伺服顶料、前卡盘移动等功能,可进行优质高效的管材切割,适用于健身器材、家居装饰、交通出行、城市建筑等行业。
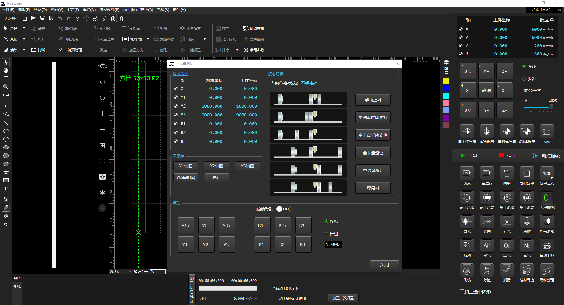
三、TU7000M激光管材切割系统
维宏TU7000M激光管材切割控制系统,采用先进的三卡盘技术,多种方式智能控制,尾料短,配合智能上下料系统,可以实现无人值守。
自动上料→自动管材寻边→自动管材分中→切割加工 →自动尾料收集→自动下料,自动切换图纸,进行循环加工
用户可在办公室创建加工计划,配合NcCloud维宏云进行任务下发,加工机床即可在车间进行批量生产。如果当天未完成任务列表加工,支持次日断点继续加工。
高柔性、高自动化,维宏激光切割控制系统助力“工业母机”厂商实现不同材料大批量多品种的生产加工!
Related news:
Weihong Expands into Micro-motor Sector via Cash Acquisition of Hemotors Electronic's Controlling Stake
2025-11-11
入局具身智能!维宏股份董事长汤同奎当选“天津大学具身智能校友会”首任会长
2025-10-09
大国重器,智能匠心!维宏激光LS20A系统助力山西抽水蓄能电站建设获官媒关注
2025-09-19
Next:
“工业母机”的大脑:国产数控崛起正当时
2021-08-26
Back to list